关于我们
公司简介
组织机构
资质资格
新闻中心
集团新闻
公司新闻
法规公告
法律规章
我们的服务
安全评价
职业卫生评价
职业卫生场所检测
安全生产标准化
环境影响评价
社会稳定风险评估
节能评估
企业双重预防机制咨询
重大危险源评估
HAZOP分析
应急预案
应急演练
安全生产培训
一站式服务
人员招聘
诚聘英才
信息公开
企业基本信息
员工招聘
招标采购
法规公告
项目公开信息
其他公开信息
联系方式
当前位置:
首页
>
信息公开
> 职评信息公示
信息公开
Statute Bulletin
企业基本信息
企业简介
组织架构
工商注册登记信息
员工招聘
招标采购
法规公告
项目公开信息
安评信息公示
职评信息公示
其他公开信息
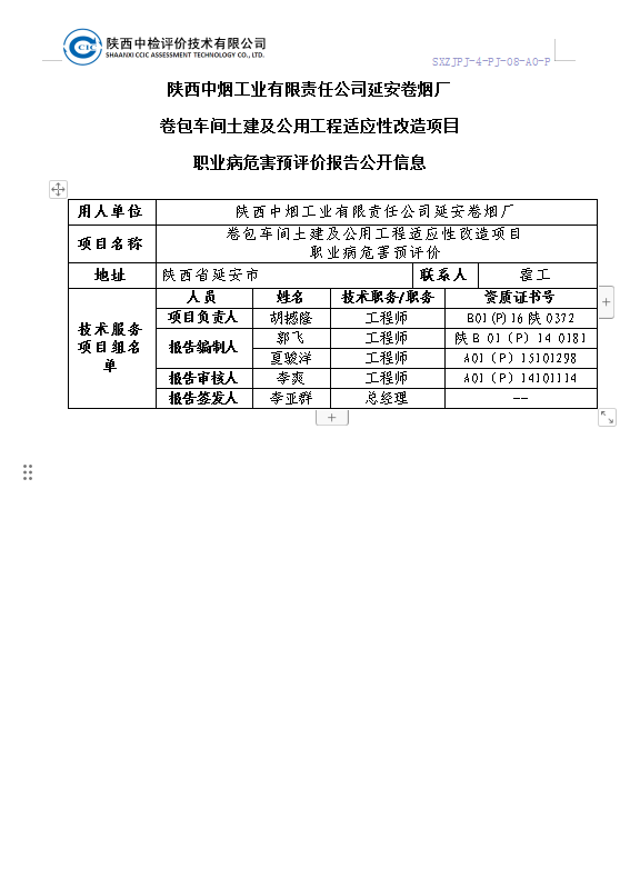
陕西中烟工业有限责任公司延安卷烟厂卷包车间土建及公用工程适应性改造项目职业病危害预评价报告公开信息
时间:2023-08-16 13:57:19 浏览:604
中检评价技术有限公司 版权所有
陕ICP备15012221号-1
技术支持/名远科技
陕公网安备 61019002001318号